<比較参考例> リトルカブ EFI仕様 & キャブレター仕様
| リトルカブ EFI仕様 | リトルカブ キャブレター仕様 |
![]() |
![]() |
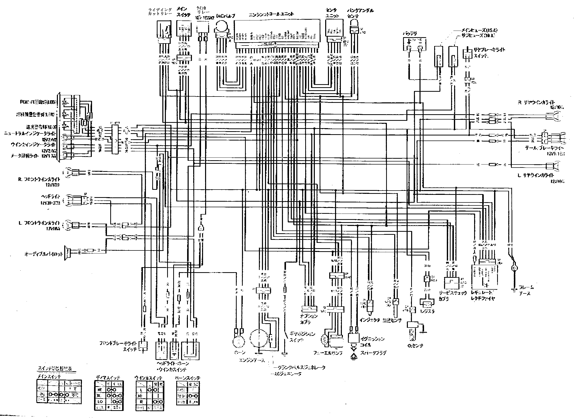
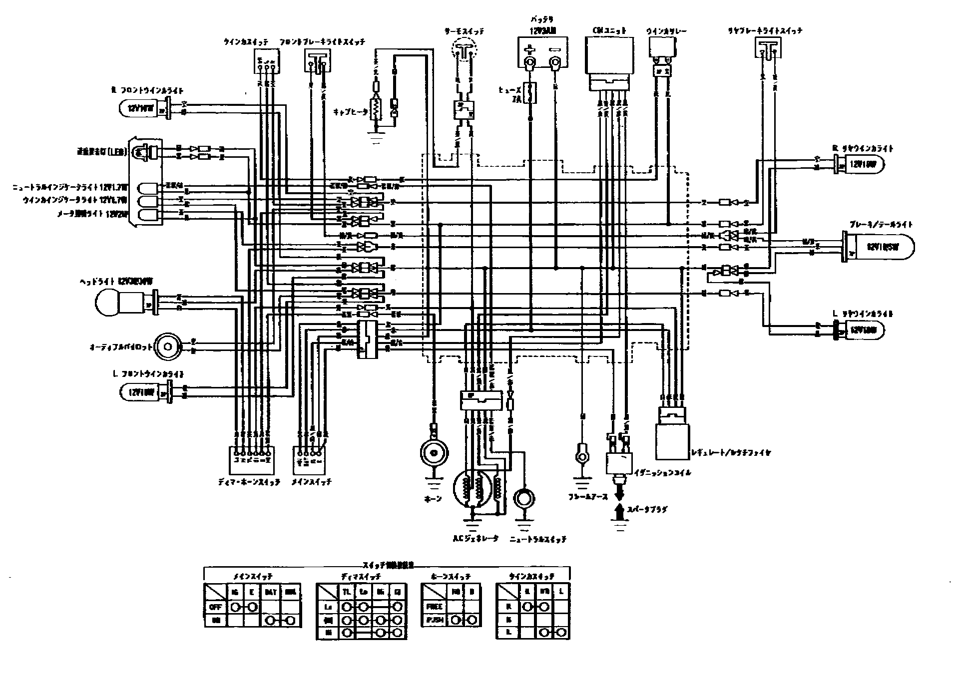
| EFI仕様 配 線 図 | キャブレター仕様 配 線 図 |
![]() |
![]() |
| EFI仕様 フレーム | キャブレター仕様 フレーム |
![]() |
![]() |
| EFI仕様 エンジン | キャブレター仕様 エンジン |
![]() |
![]() |
| EFI仕様 インジェクション | キャブレター仕様 キャブレター |
![]() |
![]() |
| EFI仕様 ワイヤーハーネス | キャブレター仕様 ワイヤーハーネス |